
Balance Salt Refinery Technical Services & Engineering Co., Ltd.
Your trusted partner for turnkey projects of new built and remodeling salt plants.
- …
Balance Salt Refinery Technical Services & Engineering Co., Ltd.
Your trusted partner for turnkey projects of new built and remodeling salt plants.
- …
How We Work
Our general working flow for a project as below.
1. Communication
- Raw Material: composition analysis report
- Local Utilities: power/water/gas/steam (price and supply)
- Local Weather: temprature/humidity/precipitation
- Client's Requirement: product/packing/production capacity
If necessary, online meetings and site survey would facilitate full communication between the two sides.
Related Documents:
- Composition anylisis report of raw material (by the client)
2. Process & Proposal
Determine which process is the best:
- Mechanical crushing and washing
- ME (3-6 effect)
- MVR
- Extraction (bromine, iodine)
- Others
If necessary, conduct further laboratory verification of the selected process.
Related Documents:
- Proposal, including quotation, PFD, main equipment list (by BalanceSalt)
3. Contract
- Terms and conditions
Related Documents:
- Contract (signed by both sides)
- Attached PFD, main equipment list (by BalanceSalt)
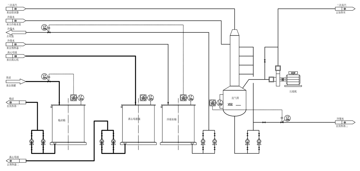
4. Design
The expert team discusses and determines the details and requirements of the process, and the engineers of various majors conduct their own professional designs according to the process requirements.
- Process Design (from raw material to finished products)
- Equipment Design (equipment selection and design, equipment layout)
- Engineering Design (electrical, automatic control, water supply and drainage, heating and ventilation, fire protection, building and construction, general layout and transportation, etc.)
Related Documents:
- PFD with mass balance
- Layout Plan
- Elevation Layout
- Piping Drawings
- Control Schematic Drawings
- Civil Condition Drawings
- Operational Manual and Maintenance Manual
(by BalanceSalt)
Interested in Balance Salt?
Feel free to call us or drop a line.
Select...
©2024-2025 Balance Salt









